【パーツアシスト】ハコスカ・ケンメリ・フェアレディZ・トレノ・レビン、その他旧車関連のパーツを販売
TOP
会社概要
お問い合わせ
ギャラリー
Blog
リンク
トヨタ / TOYOTA
トレノ・レビン(TE27)
ダルマセリカ(TA20)
トレノ・レビン(AE86)
その他車種
ニッサン / NISSAN
ハコスカ
ケンメリ
ローレル
スカイラインジャパン
フェアレディZ
ブルーバード
サニー系
その他車種
ガレージ雑貨/その他
ガレージ雑貨
ステッカー各種
パーツアシスト M.speed トップ
> ギャラリー
京商ワタナベホイール前後深リムワークス仕様
京商ワタナベホイール 金メッキリム仕様
京商ワタナベホイール金メッキリム仕様
京商ワタナベホイールガンメタメッキリム仕様
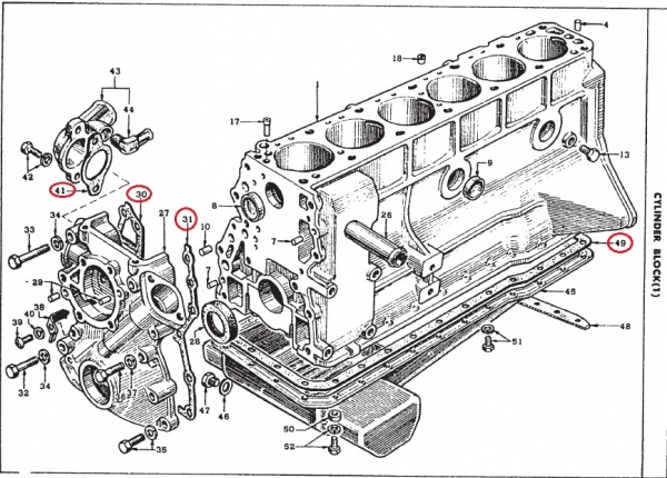
L型エンジン用ガスケット専用販売内容
10. ディストリビューターガスケット
画像には映っておりませんがウォーターポンプガスケットも付属
L型エンジン用ガスケット専用販売内容
8.オイルポンプガスケット
14.機械式フューエルポンプガスケット
L型エンジン用ガスケット専用販売内容
24.チェーンカバーガスケット
37.タペットカバーガスケット
44.サーモケースガスケット
49.サーモカバーガスケット(2穴3穴どちらも入っています)
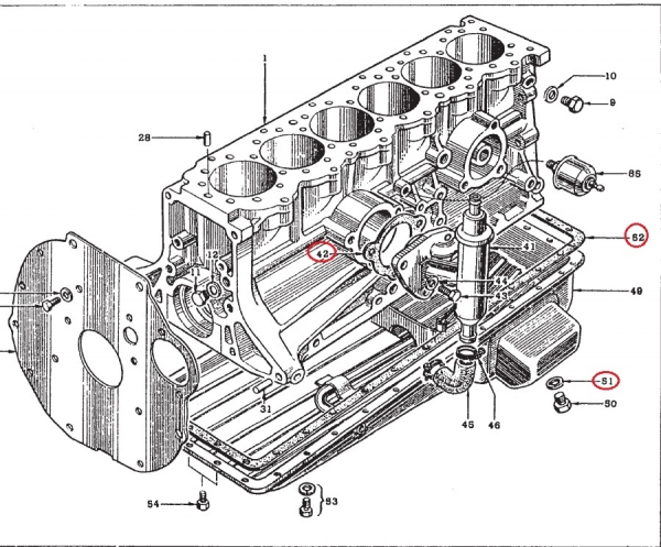
L型エンジン用ガスケット専用販売内容
54.オイルストレーナーガスケット
L型エンジン用ガスケット専用販売内容
30.31 フロントカバーガスケット
41.サーモハウジングガスケット
49.オイルパンガスケット
S20用ガスケット専用販売内容
17.ウォーターポンプガスケット
S20用ガスケット専用販売内容
15.オイルフィルターガスケット
S20用ガスケット専用販売内容
25.オイルストレーナーガスケット
S20用ガスケット専用販売内容
7.インテークマニホールドガスケット
15.エキゾーストマニホールドガスケット
21 サーモケースパッキン2枚入り
S20用ガスケット専用販売内容
42.ブローバイガスケット
51.ドレンパッキン
52.オイルパンガスケット
S20用ガスケット専用販売内容
75,76,80,81フロントカバーガスケット